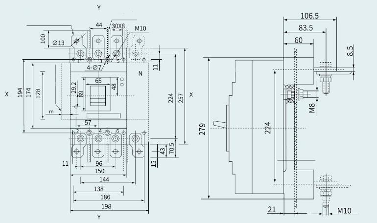
Выключатель А-3794 400А выдвижной


ВНИМАНИЕ: Уважаемые покупатели, будьте бдительны! Участились случаи обращений по контрафактной продукции. Закупайте продукцию у официальных дилеров, либо на Заводе изготовителе.
Гарантийные обязательства распространяются только на оригинальную продукцию завода!!!
Изготовитель оставляет за собой право менять дизайн изделия, вносить изменения в его конструктив и технические характеристики согласно ТУ, применяемых на производстве. При заказе изделия Вы можете запросить в офисе продаж фото и технические параметры продукции. Технические характеристики, конструктив, габаритные размеры указываются в Паспорте изделия в соответствии с ТЕХНИЧЕСКИМИ УСЛОВИЯМИ завода-изготовителя. Все риски несоответствия приобретенной продукции надлежащего качества техническим потребностям Покупателя, ложатся на Покупателя.