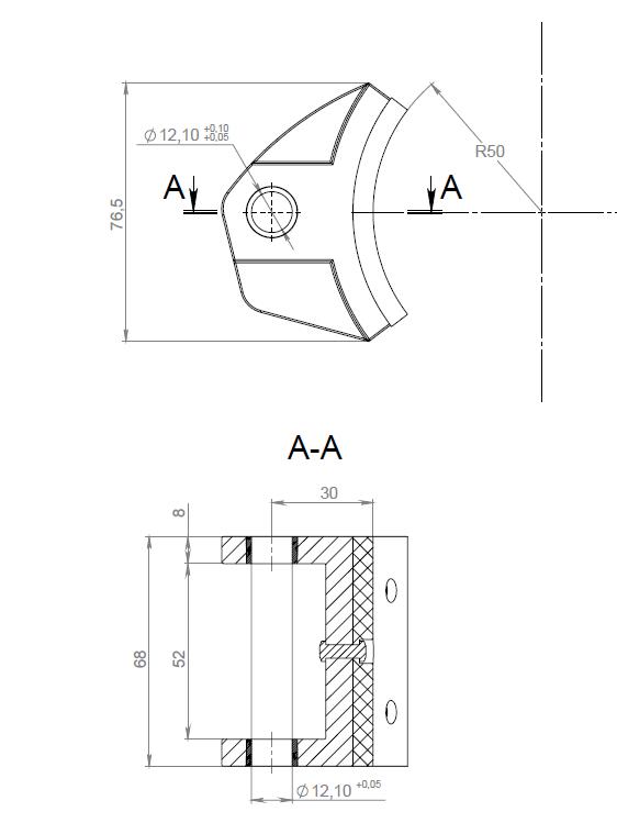
Колодка для ТКГ-100
Завод Электроконтактор предлагает к поставке тормозные колодки для колодочного тормоза ТКГ 100.
Колодки тормоза – это очень важные элементы в качественной работе всего тормоза ТКГ. Колодки создают определенное ускорение и тормозной момент.
Предназначение
Тормозные колодки ТКГ 100 предназначаются для удержания и установки валов механизмов в приторможенном состоянии в ТКГ 100 при неработающем приводе. К колодке крепятся тормозные накладки алюминиевыми или медными заклепками.
Наиболее выходящая из строя деталь тормоза – это колодки. Менять колодки необходимо парами.






